LOGO OA教程 ERP教程 模切知识交流 PMS教程 CRM教程 开发文档 其他文档  
 
网站管理员

[IIS性能优化]IIS处理并发请求时出现的问题及解决

admin
2014年1月29日 23:47 本文热度 8561

一个ASP.NET项目在部署到生产环境时,当用户并发量达到200左右时,IIS出现了明显的请求排队现象,发送的请求都进入等待,无法及时响应,系统基本处于不可用状态。因经验不足,花了很多时间精力解决这个问题,本文记录了我查找问题的过程和最后解决方案,供大家参考。



软硬件环境:


IBM刀片服务器,Intel至强处理器,4物理核,16个逻辑核心,内存32G


Windows Server2008 Enterprise R2, ASP.NET 4.0 Webform IIS7.5 集成模式



当发现请求明显延迟,没有被即时处理的现象,首先就要查看Windows自带的性能日志Performance Monitor。


由于我注意到只有对于.aspx或.ashx的请求才会延迟,而.htm或.jpg文件都是即时响应的,所以很明显问题出在ASP.NET上,于是我选择了性能监视器中的ASP.NET 4.0中的2个主要计数器:Requests Current(当前请求数), Requests Queued(被排队的请求数)进行观察。通过观察发现,当前请求数达到200左右时,被排队的请求数就从0开始上升,一直到50左右,如果请求数继续上升,则被排队数也随之上升。当被排队的请求数>0时,就意味着这个时候去访问任何.aspx页面,页面都会处于长时间等待中,没有任何响应,直到IIS处理完了其他请求,才会开始处理队列中的请求。也就是说,当排队数长期>0时,系统基本处于不可用的状态。


由于这个系统的页面布局比较复杂,采用了大量的Ajax+.ashx的方式,将内容分批展示在页面上,所以对服务器的请求总数会比传统aspx模式来的多一些,一个页面全部加载完毕可能需要5-10秒,但我想这不应该是造成问题的主要原因,就算系统性能较差,IIS也应该足以承受这么小的并发量的。


为探究到底是系统写的有问题,还是IIS本身的问题,我抛开我们的系统,写了一个简单的页面,就一个aspx文件,page_load里sleep 10秒。假设这就是一个性能比较差的网站,每个页面都要10秒才能展现,我将其部署在IIS上测试其性能,我使用的是Microsoft Web Application Stress Tool,模拟发起80个线程,每个连接有4个Socket,总共相当于320个并发请求。


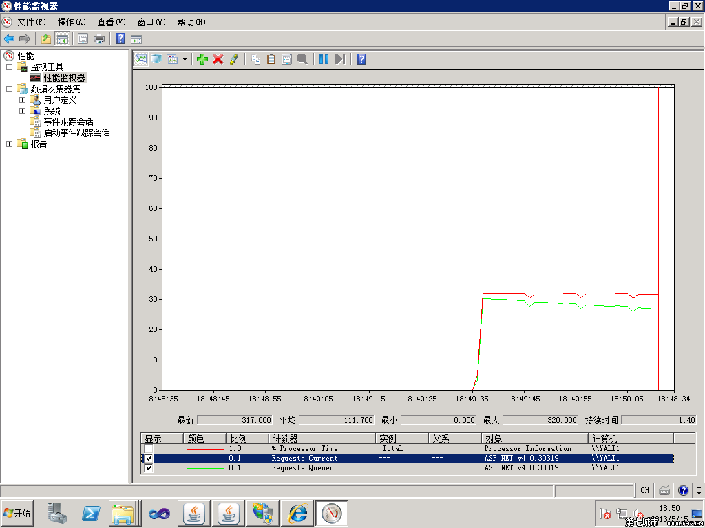
测试开始后,可以从下图中看到,当前请求数立刻攀升到300左右(图中红线),然后队列中的请求数也上升到300左右(图中绿线),就是说在300个并发请求下,几乎所有的请求都被排队了,系统基本不可用,通过简单的测试,这个问题已经得以重现了。




随着时间推移,发现绿线慢慢减少,从300下降到100多,就是系统可用性渐渐提高,有一部分用户可以正常使用,但大部分还在排队。




过了6,7分钟,队列中的请求数下降到0左右,并有一些小幅波动。这个时候大部分请求可以被正常处理了。 按照这个现象分析的话,应该是IIS发现有大量请求在队列中,就会试图增加处理线程数以满足要求,但是增长速度有些缓慢。




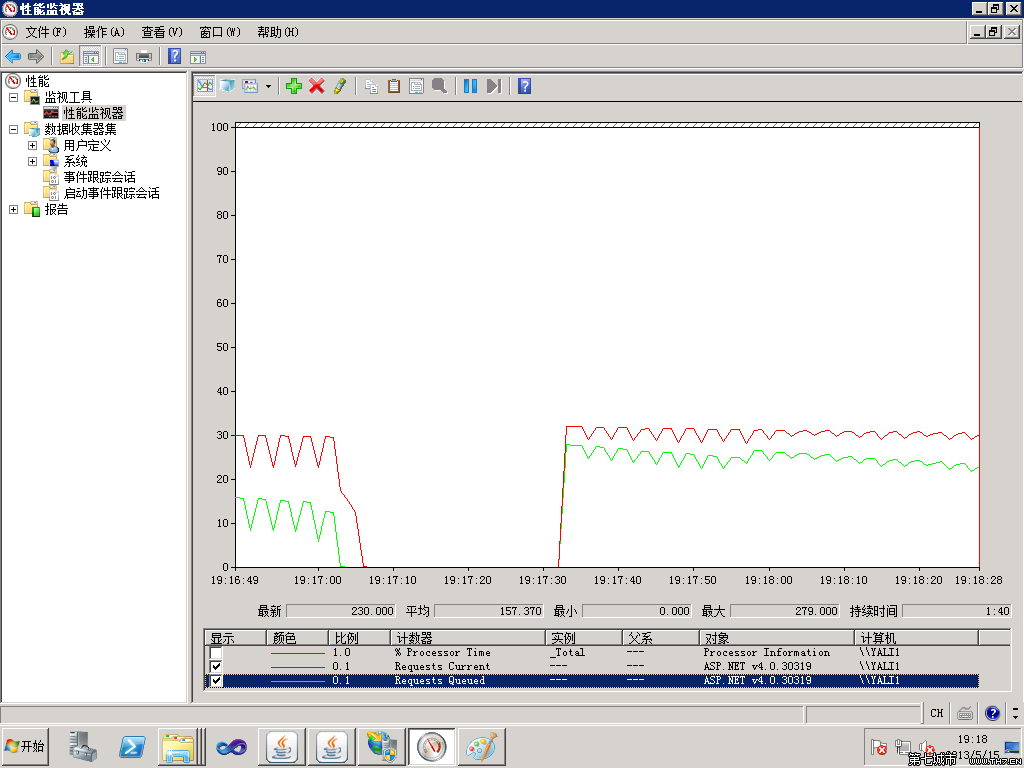
那是不是系统经过了6,7分钟的适应期之后,以后就一直可以在这个并发量下稳定运作了呢?事实并非如此。我将压力测试停了几秒,当服务器的请求数降为0以后,再重新开启320个请求的测试,IIS如何表现?从下图可以看到,只要请求数有明显上升,则等待队列又开始达到最高值,然后缓慢下降,重复上面的过程。总结下来就是,当出现较大并发时,IIS的处理请求能力完全跟不上,需要很长时间才能开出足够的线程。





然后我做了一个测试,看看IIS默认情况到底能承受多少请求而不排队?似乎是在100个并发左右,表现尚可,未出现排队。




当200个左右就不行了。




然后我将测试程序从sleep10秒改成3秒,对于一个应用系统来说,页面平均3秒处理时间的性能该还算比较正常了。但可惜的是,排队现象与处理时间并无太大关系,排队仍然很严重。




针对以上问题,查阅了相关资料,是否出现排队是和应用程序池的可用线程有关,通过2个方法可以查看系统总线程数和当前可用线程数。


ThreadPool.GetAvailableThreads( out availableWorker, out availableIO);


ThreadPool.GetMaxThreads(out maxWorker, out maxIO);


在队列请求数达到120左右时,通过此方法,得到maxWorker=1600,而availableWorker=1472


因为服务器是16核的,ASP.NET4.0默认每核可以使用100个线程,所以maxWorker是1600,1600-120=1480,大致相等。


就是说当前有120个线程被用来处理请求,还有1400多个处于空闲。关键问题就是为什么这些空闲线程没有被及时启用?



ASP.NET提供的线程配置参数中,有一个参数是非常重要,但是可能被大家忽略的,就是minWorkerThreads。


意指最小工作线程,根据我们以上的测试结果,IIS托管线程启动非常慢,微软也认识到了这个问题,所以提供此参数用于设置正常情况下的最小工作线程数。比如我们系统白天的并发在200-300之间,则可以设置最小线程为300,这样系统响应速度可以大幅提高。


据此,我对配置文件(machine.config)进行了如下修改。注意都是针对单个CPU的,系统会自动乘以逻辑CPU的数量。




相当于最小工作线程设置成了50*16=800。



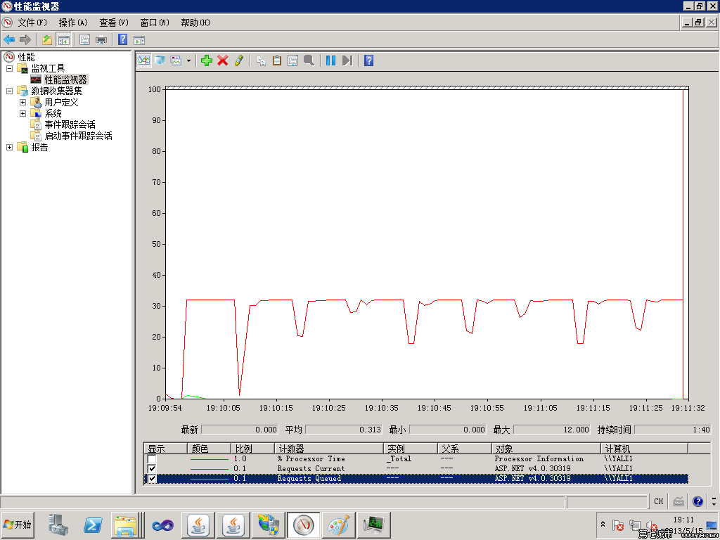
重启IIS后进行测试,我们得到了以下结果:





可以看到,由于设置了合理的最小工作线程数,使得IIS无需不断创建新线程来处理请求,系统的响应能力已可以满足并发要求。



除此之外,在IIS6之后引入了一个新功能叫Web Garden,其设计目的是为了在CPU占用较低,但是并发请求数比较多的情况下,提升服务器性能。这正符合我当前的情况,于是我启用了Web Garden,将工作进程数从1调整到5,在任务管理器中可以看到w3wp进程从原来的1增加到了5,然后重新测试。




同样的320个请求下,可以看到除了一开始的几秒出现了一些排队,后面基本上表现良好,没有请求进入队列。




通过以上两种方式,都可以有效解决本文开头提出的问题。但Web Garden是工作在多进程模式下,如果应用中用到了依赖进程的Session和Cache等对象都必须另想办法,不能保存在服务器内存中,而且Web Garden的多个进程切换时会有上下文复制,其资源消耗相对单进程要大,这些是需要考虑的因素。


该文章在 2014/1/29 23:47:30 编辑过
关键字查询
相关文章
正在查询...
点晴ERP是一款针对中小制造业的专业生产管理软件系统,系统成熟度和易用性得到了国内大量中小企业的青睐。
点晴PMS码头管理系统主要针对港口码头集装箱与散货日常运作、调度、堆场、车队、财务费用、相关报表等业务管理,结合码头的业务特点,围绕调度、堆场作业而开发的。集技术的先进性、管理的有效性于一体,是物流码头及其他港口类企业的高效ERP管理信息系统。
点晴WMS仓储管理系统提供了货物产品管理,销售管理,采购管理,仓储管理,仓库管理,保质期管理,货位管理,库位管理,生产管理,WMS管理系统,标签打印,条形码,二维码管理,批号管理软件。
点晴免费OA是一款软件和通用服务都免费,不限功能、不限时间、不限用户的免费OA协同办公管理系统。
Copyright 2010-2025 ClickSun All Rights Reserved